Fixing KitchenAid Pro 600 Stand Mixer Teardown & Rebuild Of Gearbox. 61 . 8 . Repairing the KitchenAid Professional 550HD main gear. Kitchenaid does not provide Service Manuals but you can goto the www.kitchenaid.com website, enter your model # and search for the Parts List for And the speed control sensor (Hall Effect sensor) can be ordered from several online KA repair parts vendors. I assume you've got a Parts List manual... See the KitchenAid Stand Mixer Warranty for Puerto Rico on the following page on how to arrange for service. KitchenAid Will Not Pay For D.
Source: producthelp.kitchenaid.com Attachment Fit Guarantee Product Help Kitchenaid Source: hand-mixers.info Kitchenaid Kp26M9Xc 6 Qt Professional Bowl Lift Stand Mixer, Nib Ship From Store@Hand Mixers.Info Source: costco.com Kitchenaid Professional Series 6 Quart Bowl Lift Stand Mixer With Flex Edge Source: costco.com Kitchenaid Professional Series 6 Quart Bowl Lift Stand Mixer With Flex Edge Source: cs.heights.edu Kitchenaid Mixer Manuals Cs.Heights.Edu Source: kitchenaid.com Kitchen Appliance Manuals Kitchenaid Source: diagramwormt.sistecom.it Diagram] Holley 600 Parts Diagram Full Version Hd Quality Parts Diagram Diagramwormt.Sistecom.It Source: target.com Kitchenaid Professional 600 Design Series 6 Quart Bowl Lift Stand Mixer Kf26M22 : Target Source: docs.google.com Kitchenaid Artisan Repair Manual Source: producthelp.kitchenaid.com Stand Mixer Repair Options Product Help Kitchenaid Source: jinshiwa1988.changeip.us Kitchenaid Classic Plus Mixer Instruction Manual Source: manualzz.com Kitchenaid Mixer Kpm 50 User'S Manual Manualzz Source: medium.com Kitchenaid Mixer Attachments: All 83 Attachments, Add Ons, And Accessories Explained By Mr. Product Medium Source: amazon.com Amazon.Com: Kitchenaid Kp26M1Xtg 6 Qt. Professional 600 Series Bowl Lift Stand Mixer Tangerine: Electric Stand Mixers: Kitchen & Dining Source: walmart.com Kitchenaid Professional 600 Series Rrkp26M1Xcz Bowl Lift Stand Mixer, 6 Quart Champagne (Certified Refurbished) Walmart.Com Walmart.Com Source: manueljoseph.com Kxd4636Yss Kitchenaid 36" Retractable Downdraft System, 600 Cfm Stainless Steel Stainless Steel Manuel Joseph Appliance Center Source: overstock.com Top Product Reviews For Kitchenaid Rkp26M1X 6 Quart Pro 600 Stand Mixer (Refurbished) 5721732 Overstock Source: nfm.com Kitchenaid Professional 600 Series 6 Quart Stand Mixer Nebraska Furniture Mart Source: manualslib.com Kitchenaid Professional 600 Series Instructions And Recipes Manual Pdf Download Manualslib Source: removeandreplace.com Kitchenaid Stand Mixer Not Working Will Not Turn On Beater Hits Bowl Source: m.youtube.com Kitchenaid Mixer Repair How To Replace The Worm Gear Youtube Source: walmart.com Kitchenaid Kp26M1Xbu Pro 600 Series 6 Quart Bowl Lift Stand Mixer, Cobalt Blue Closeout Walmart.Com Walmart.Com Source: birchlane.com Kitchenaid Professional 600 Series 10 Speed 6 Qt. Stand Mixer & Reviews Source: amazon.com Amazon.Com: Kitchenaid Ksm8990Ob 8 Quart Commercial Countertop Mixer, 10 Speed, Gear Driven, Onyx Black: Kitchen & Dining Source: shop.hailvarsity.com Kitchenaid Mixer Repair Service Shop.Hailvarsity.Com Source: docs.google.com Kitchenaid Mixer K5Ss User Manual Source: hylec.gritea.epsy.vira.mohammedshrine.org Tw_3608] Kitchenaid Ksm150Ps Parts List And Diagram Ereplacementpartscom Free Diagram Source: ereplacementparts.com Kitchenaid Professional 5 Qt. Stand Mixer Kv25G0Xww4 Ereplacementparts.Com Source: bestbuy.com Kitchenaid Professional 600 Stand Mixer Matte Milkshake Kp26M1Xmh Best Buy Source: m.youtube.com How To Fix A Kitchenaid Pro 600 Mixer Youtube Source: manualguideservice.hardfolk.it Manuals] Kitchenaid Kwcu265Bss0 Repair Service Manual Full Version Hd Quality Service Manual Manualguideservice.Hardfolk.It Source: target.com Kitchenaid Professional 600 Design Series 6 Quart Bowl Lift Stand Mixer Kf26M22 : Target Source: ereplacementparts.com Kitchenaid Professional 6 Qt. Stand Mixer 4Kp26M1Xmc4 Ereplacementparts.Com Source: webstaurantstore.com Kitchenaid Kp26M1Xwh White Professional 600 Series 6 Qt. Countertop Mixer Source: shop.hailvarsity.com Kitchenaid Mixer Repair Manual Shop.Hailvarsity.Com Source: cbschematic2b.angelux.it Diagram] Hobart Mixer Diagram Manual Full Version Hd Quality Diagram Manual Cbschematic2B.Angelux.It Source: manualowl.com Base And Pedestal Unit Kitchenaid Kp26M1Xcv Parts List (Page 6) Source: docs.google.com Kitchenaid Professional 600 Manual En Espaol Source: cbschematic2b.angelux.it Diagram] Hobart Mixer Diagram Manual Full Version Hd Quality Diagram Manual Cbschematic2B.Angelux.It Source: amzn.to Amazon.Com: Kitchenaid Professional 600 Series Kp26M1Xer Bowl Lift Stand Mixer, 6 Quart, Meringue: Electric Stand Mixers: Kitchen & Dining Source: appliancefactoryparts.com Kitchenaid Kv25G0X 4 Parts Mixers Source: bestbuy.com Kitchenaid Professional 600 Stand Mixer Matte Milkshake Kp26M1Xmh Best Buy Source: joulupeli.elisa.fi Kitchenaid Mixer 600 Repair Manual Joulupeli.Elisa.Fi Source: everythingkitchens.com 6 Qt Professional 600 Stand Mixer (Available In 15+ Colors!) Kitchenaid Everything Kitchens Source: pinterest.com 10 Kitchenaid Repair Ideas Repair, Kitchen Aid Repair, Kitchen Aid Mixer Source: kitchen-mixers.info Kitchenaid Ultra Power Mixer Parts Series 4.5 Quart Tilt Head Stand Ksm95@Kitchen Mixers.Info Source: refrigeratorspartsus.blogspot.com Refrigerators Parts: Kitchenaid Mixer Parts Source: helpowl.com Ksm5Ppwh Service Manual Kitchenaid Source: webstaurantstore.com Kitchenaid Kp26M1Xga Green Apple Professional 600 Series 6 Qt. Countertop Mixer Source: africanamericanstudies.coas.howard.edu Kitchen Aid Service Manual Africanamericanstudies.Coas.Howard.Edu Source: refrigeratorspartsus.blogspot.com Refrigerators Parts: Kitchenaid Mixer Parts Source: gooddealsappliances.com Kxd4636Yss Kitchenaid 36" Retractable Downdraft System, 600 Cfm Stainless Steel Stainless Steel Good Deals Appliances Source: manualslib.com Kitchenaid Professional 600 Series Manuals Manualslib Source: manualslib.com Kitchenaid K4Ss Service & Repair Manual Pdf Download Manualslib Source: tipnut.com 25 Kitchenaid Stand Mixer Troubleshooting Helpers Source: amazon.com Amazon.Com: Kitchenaid Kp26M1Xob 6 Qt. Professional 600 Series Bowl Lift Stand Mixer Onyx Black: Electric Stand Mixers: Kitchen & Dining Source: joulupeli.elisa.fi Kitchenaid Stand Mixer Service Manual Ksm5 And Others Joulupeli.Elisa.Fi Source: manualslib.com Kitchenaid Professional 600 Series Manual Pdf Download Manualslib Source: walmart.com Kitchenaid Professional 600 Series Rrkp26M1Xbx Bowl Lift Stand Mixer, 6 Quart, Bordeaux (Certified Refurbished) Walmart.Com Walmart.Com Source: ifixit.com Kitchenaid Professional 600 Worm Gear Replacement Ifixit Repair Guide Source: walmart.com Kitchenaid Kp26M1Xdp Pro 600 Series 6 Quart Bowl Lift Stand Mixer, Dark Pewter Walmart.Com Walmart.Com Source: ifixit.com Kitchenaid Professional 600 Repair Ifixit Source: is.tagasikooli.ee Kitchenaid Mixer Manual Book Source: refrigeratorspartsus.blogspot.com Refrigerators Parts: Kitchenaid Mixer Parts Source: docs.google.com Kitchenaid Superba Refrigerator Owners Manual Source: cbschematic2b.angelux.it Diagram] Hobart Mixer Diagram Manual Full Version Hd Quality Diagram Manual Cbschematic2B.Angelux.It Source: m.youtube.com How To Repair A Kitchenaid 600 Professional Mixer That Isn'T Spinning Youtube Source: refrigeratorspartsus.blogspot.com Refrigerators Parts: Kitchenaid Mixer Parts Source: manualowl.com Kitchenaid Kp26M1Xce Parts List Source: everythingkitchens.com 6 Qt Professional 600 Stand Mixer (Available In 15+ Colors!) Kitchenaid Everything Kitchens Source: africanamericanstudies.coas.howard.edu Kitchenaid Mixer Manual Online Africanamericanstudies.Coas.Howard.Edu Source: youtube.com Repair Broken Kitchenaid Mixer Worm Gear And Grease Youtube Source: pinterest.com The Best Kitchenaid Stand Mixer Parts Dishwasher Safe And Description In 2020 Kitchen Aid Mixer, Kitchen Aid, Best Stand Mixer Source: ifixit.com Kitchenaid Professional 600 Drive Motor Replacement Ifixit Repair Guide Source: manualzz.com Kitchenaid Professional 600 Series 6 Quart Bowl Manualzz Source: webstaurantstore.com Kitchenaid Kp26M1Xga Green Apple Professional 600 Series 6 Qt. Countertop Mixer Source: ereplacementparts.com Kitchenaid Professional 6 Qt. Stand Mixer 4Kp26M1Xmc4 Ereplacementparts.Com Source: birchlane.com Kitchenaid Professional 600 Series 10 Speed 6 Qt. Stand Mixer & Reviews Birch Lane Source: removeandreplace.com Kitchenaid Stand Mixer Not Working Will Not Turn On Beater Hits Bowl Source: amazon.com Amazon.Com: Kitchenaid Kp26M1Xpm 6 Qt. Professional 600 Series Bowl Lift Stand Mixer Pearl Metallic: Electric Stand Mixers: Kitchen & Dining Source: producthelp.kitchenaid.com Stand Mixer Repair Options Product Help Kitchenaid Source: danielscarmanuals.associazionecarmagnola.it Manuals] Sharp Qt Cd131H Repair Service Manual User Guides [Pdf] Full Version Hd Quality User Guides Danielscarmanuals.Associazionecarmagnola.It Source: nfm.com Kitchenaid Professional 600 Series 6 Quart Stand Mixer Nebraska Furniture Mart Source: homedepot.com Kitchenaid Professional 600 Series 6 Qt. 10 Speed Black Stand Mixer With Flat Beater, Wire Whip And Dough Hook Attachments Kp26M1Xob The Home Depot Source: usermanual.wiki Kitchenaid Kp26M1Xbs4 Users Manual Source: ifixit.com Kitchenaid Professional 600 Bevel Gear Replacement Ifixit Repair Guide Source: manualslib.com Kitchenaid Kp2671Xac Professional Stand Mixer Parts List Pdf Download Manualslib Source: removeandreplace.com Kitchenaid Stand Mixer Not Working Will Not Turn On Beater Hits Bowl Source: mans.io Kitchenaid Kp26M1Xnp Stand Mixers Download Instruction Manual Pdf Source: bestbuy.com Kitchenaid Kitchenaid Pro 5 Plus 5 Quart Bowl Lift Stand Mixer Empire Red Kv25G0Xer Best Buy Source: m.youtube.com How To Fix A Kitchenaid Mixer That Isn'T Spinning Youtube Source: removeandreplace.com Untitled Source: pinterest.ca 7 Best Fix A Kitchenaid Professional Stand Mixer! Ideas Kitchenaid Professional, Mixer, Kitchen Aid Source: manualslib.com Kitchenaid Kp26M1X Professional 600 Series Stand Mixer 575 Watt Parts List Pdf Download Manualslib Source: raceandwealth.coas.howard.edu Kitchenaid Mixer Service Manual Raceandwealth.Coas.Howard.Edu Source: ereplacementparts.com Kitchenaid Professional 6 Qt. Stand Mixer 4Kp26M1Xmc4 Ereplacementparts.Com Source: costco.com Kitchenaid Professional Series 6 Quart Bowl Lift Stand Mixer With Flex Edge Source: ifixit.com Kitchenaid Professional 600 Drive Motor Replacement Ifixit Repair Guide Source: manualowl.com Kitchenaid Kp26M1Xpm Parts List Source: everythingkitchens.com 6 Qt Pro 600 Mixer (Aqua Sky) Kitchenaid Everything Kitchens
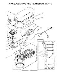
suggestion: kitchenaid professional 600 repair manual pdf
kitchenaid professional 600 service manual pdf
0 Response to "kitchenaid professional 600 repair manual pdf"
Posting Komentar